|


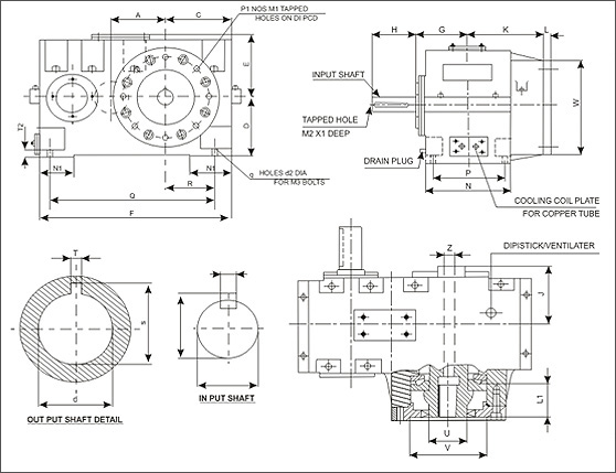
1. MODELS ABOVE V2-125
ARE WITH FORCED COOLING EXCEPT IN SINGLE STAGE
2. BEARINGS:- SKF/ZKL OR EQUIVALENT
3. P&F :- 4% EXTRA
4. LUBRICATION:- SHELL TIVELA/KLUBER OIL -320 GRADE
5. APPLICATION:- PLEASE SPECIFY APPLICATION BEFORE PURCHASING
THE GEAR BOX.
6. MAXIMUM HP IS CALCULATED ON STARTING LOAD ON THE GEAR BOX.
THE HP RATING WILL INCREASE PROPORTIONATELY WITH THE INCREASE IN
INPUT SPEED
7. OUTPUT IS SINGLE KEYWAY (DIFFERENT VERSIONS AVAILABLE ON
REQUEST)
8. All DIMENSIONS SUBJECT TO CHANGE WITHOUT NOTICE.

 |